銷售①:13508662630 銷售②:13507271573
公司地址:襄陽市樊城區春園西路賈洼工業園 郵箱:xfycdq@163.com
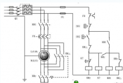
星三角降壓啟動原理 星三角降壓啟動, 就 是以改變電動機繞組接法,來達到降dao壓啟動的目的。啟動時,由主接觸器將電 源給三角形接法的電動機的三個首端,由星點......
發布時間:2020-12-02
無功補償一般在以下情況需要用到: 1.電網電壓出現時高時低的情況,影響用電設備的運行。 2.企業功率因數低,經常被供電部門門罰款,需提高功率因數。 2、企業輸電......
發布時間:2020-12-02
什么是靜止式進相器,靜止式進相器有什么作用?靜止式進相器又稱靜止式進相機,是襄陽源創工業控制有限公司根據市場需求研發出來的,專門為大中型繞線式電機無功就地補償的......
發布時間:2020-11-30
啟動柜啟動的時候有時會出現跳閘,具體是什么原因呢,下面給大家分析一下幾種常見原因: 1停電 2電壓低 3線圈吸力不足 4線圈燒毀 5接線不良 6負荷過重 7保險......
發布時間:2020-11-30
高低壓電動機軟啟動柜 ,高低壓電動機軟起動柜裝置適用能力特別強,任何工況都可輕松駕馭,如冶金、石油、化工、水利、電力、輕工、建材、制藥、采礦、市政工程等領域只要......
發布時間:2020-11-27



(不想等待可點擊按鈕通過QQ進行溝通,或直接電聯。)
關閉