交流匯流箱選用交匯流箱,IP65,戶外使用。
光伏交流防雷匯流箱的作用是對逆變器的輸出進行匯流,匯流箱應具有以下功能:
1. 滿足室外安裝的使用要求,防水、防銹、防曬,防護等級為IP65。
2. 輸入路數可定制,每路輸入電流最大可達80A。
3. 最高輸入、輸出電壓最高達660VAC。
4. 配有防雷器。
5. 輸出回路采用高品質斷路器,容量根據輸入路數確定。
6. 掛壁式安裝,體積小、重量輕,降低工程施工成本。
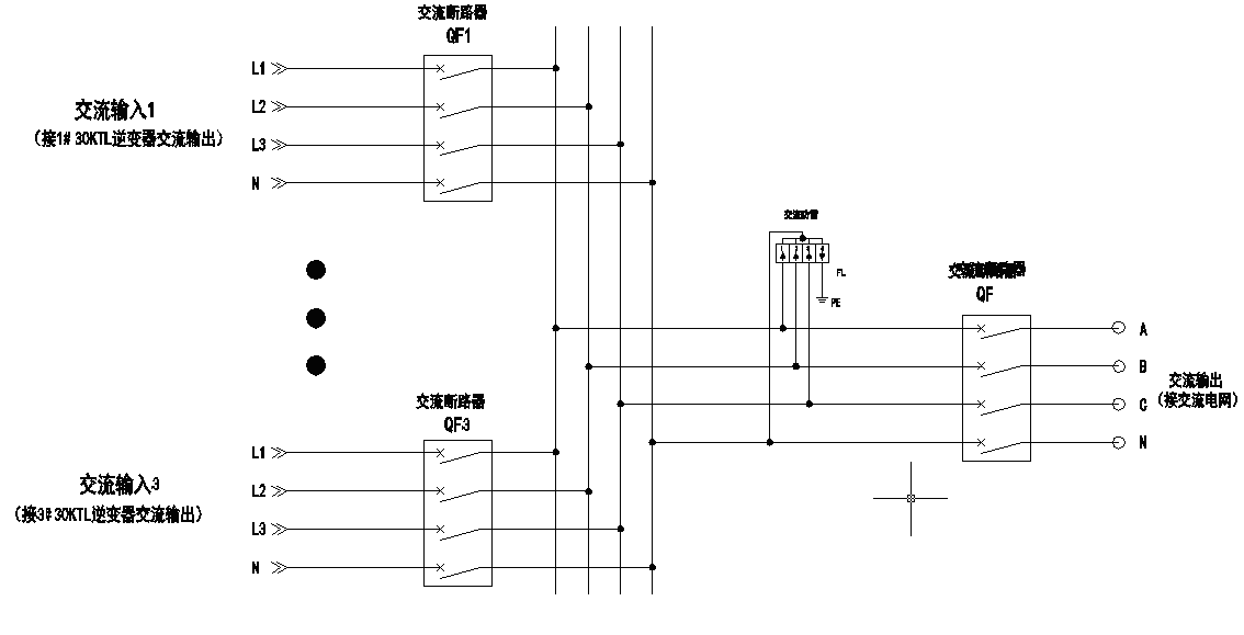
光伏防雷匯流箱的電氣原理框圖如圖所示:

交流匯流箱的安裝可以參考逆變器壁掛架的安裝方式,可以利用膨脹螺栓固定在墻面上,也可以固定在金屬支架上。