

適用范圍
產品適用于手工頻3KV-10KV,200KW-20000KW三相交流電動機的軟起動。
工作原理及特點
利用現代控制技術,調控起動變壓器副邊電壓,通過磁控原理,達到控制變壓器原邊電壓從高低變化,使電動機端電壓從低到高,達到軟起動的目的。
起動模式可選:電壓斜坡式、電流恒定式、初始脈沖式;
起動電壓、電流值小,對電網、電機和其他設備基本無沖擊損害;
起動電流:空載≤21e,輕載≤31e;
可方便實現一拖多(容量不要求相近)并可連續起動;
性能穩定可靠,無起動失敗危險;
維護簡單,使用周期長,性價比高。
執行標準
高壓開關設備和控制設備標準共用技術要求 GB/T11022-1999 IEC60694:1996
3-35KV交流電金屬封閉開關設備用 GB3906-1991 IEC298:1990
三相油浸式電力變壓器技術參數和要求 GB/T6451-1999
電磁調壓軟起動器 Q/XYC-2005
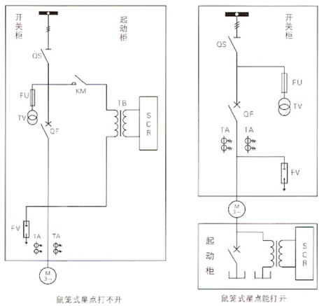
一次方案圖

本文來至襄陽源創電氣成套設備公司: [高低壓起動柜],咨詢高低壓起動柜廠家,了解高低壓起動柜價格
,請直接聯系:13507271573 張
本文鏈接:http://m.swindlers.cn/cp/gaodiyaqidonggui/2017/0308/109.html ,轉載請注明!
(責任編輯:源創電氣)

日期:2017-04-20 10:37:03 點擊:121 好評:0
大家估計對著這幾個不是很多,其實有本質的區別的,那么下面我們就來講解一下這個設備的區別吧。 軟起動器是一種集電機軟起動、軟停車、輕載節能和多種保護功能于一體的新穎電機控制裝置,國外稱為Soft Starter。它的主要構成是串接于電源與被控電機之間的三....

日期:2017-05-22 09:01:07 點擊:125 好評:0
什么是力矩 ? 在物理學里,作用力使物體繞著轉動軸或支點轉動的趨向,稱為力矩(torque)。轉動力矩又稱為轉矩。力矩能夠使物體改變其旋轉運動。推擠或拖拉涉及到作用力 ,而扭轉則涉及到力矩。如圖1,力矩等于徑向矢量與作用力的叉積。 (圖1) 簡略地說,....

日期:2017-05-31 14:53:03 點擊:59 好評:0
這里我們要介紹的是高壓固態軟起動柜,那么這個設備哪些廠家有出售的呢,那么現在我們就來介紹一下軟起動柜這個東西吧,其實軟起動柜要說比較好一些的,那莫非就是高壓固態軟起動柜了,要比同類產品價格高一些,質量也好一些。 那么高壓固態軟起動柜對比繞線....

日期:2017-09-05 15:26:34 點擊:121 好評:0
高壓電機的啟動柜,實際上就是減(降),壓啟動器,高壓大型電機選用水阻柜啟動。 進相機實際上是無功補償設備,當電機完成啟動轉入運行后該電機,轉子串入進相機供入勵磁電流,建立并維持旋轉磁場,使電動機正常運轉,減少電網無功電流的涌入,從而提高功率....

日期:2017-04-20 10:47:05 點擊:139 好評:0
軟起動器具有哪些保護功能?這個是需要我們多多了解的技術知識,必須要掌握住才行的。 (1)過載保護功能:軟起動器引進了電流控制環,因而隨時跟蹤檢測電機電流的變化狀況。通過增加過載電流的設定和反時限控制模式,實現了過載保護功能,使電機過載時,關....